Характеристики
Параметры заказа
Number for order
278868
Минимальный заказ
от 1 шт.
Линейка
Profi (профессиональная)
Технические характеристики
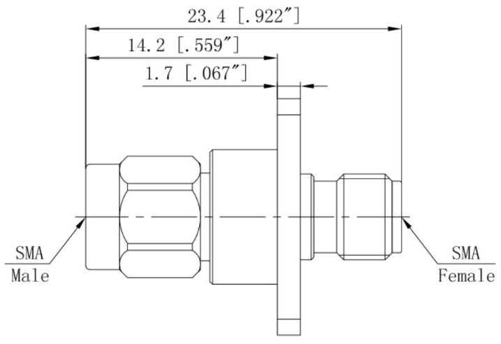
Сторона А, тип соединения
SMA
Сторона Б, тип соединения
SMA
Конструктив
прямой
Тип корпуса разъема
male (папа)
Полярность коннектора (reverse polarity)
прямая
Тип крепления разъема
под кабель
Тип центр. контакта
male / папа / вилка
Центральный контакт
под пайку
Электрические параметры
КСВн (не более)
1.2
Волновое сопротивление (импеданс)
50 Ом
Макс. раб. частота, ГГц
?
Для коннекторов
26.5
Механические параметры
Материал корпуса
нержавеющая сталь (stainless steel)
Материал покрытия корпуса
?
Для разъема
пассивация (passivated)
Материал контакта (pin)
бериллиевая бронза BeCu
Материал покрытия контакта (pin)
золото (gold plating)
Материал диэлектрика (изолятора)
?
Для коннектора
PTFE
Материал гайки
?
Для коннектора
нержавеющая сталь (stainless steel)
Материал покрытия гайки
пассивация (passivated)
Количество циклов сопряжений
?
Кол-во соединений-разъединений для коннектора или перехода
500
Тип резьбы
дюймовая
Резьба (по расположению)
внутренняя
Контровочные отверстия
нет
Климатические факторы
Нижняя рабочая t, °C
?
Для кабелей
-55
Верхняя рабочая t, °C
?
Для кабелей
165
Отзывы
Оставить отзыв
Загрузка отзывов...
