Характеристики
Параметры заказа
Number for order
278700
Минимальный заказ
от 1 шт.
Линейка
Profi (профессиональная)
Технические характеристики
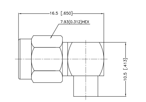
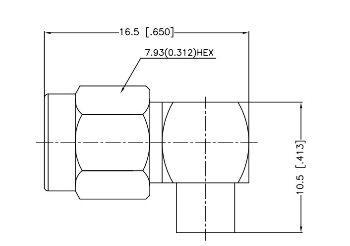
Серия (интерфейс)
SMA
Корпус
под пайку
Конструктив
угловой
Кабельная группа (типоразмер)
?
Для кабеля и коннекторов на кабель
141 / RG402 / С40
Тип корпуса разъема
male (папа)
Полярность коннектора (reverse polarity)
прямая
Тип крепления разъема
под кабель
Тип центр. контакта
male / папа / вилка
Центральный контакт
под пайку
Электрические параметры
КСВн (не более)
1.2
Волновое сопротивление (импеданс)
50 Ом
Макс. раб. частота, ГГц
?
Для коннекторов
12.4
Механические параметры
Материал корпуса
латунь (brass)
Материал покрытия корпуса
?
Для разъема
золотое покрытие
Материал контакта (pin)
бериллиевая бронза BeCu
Материал покрытия контакта (pin)
золото (gold plating)
Материал диэлектрика (изолятора)
?
Для коннектора
PTFE
Материал гайки
?
Для коннектора
латунь (brass)
Материал покрытия гайки
золотое покрытие
Количество циклов сопряжений
?
Кол-во соединений-разъединений для коннектора или перехода
500
Тип резьбы
дюймовая
Резьба (по расположению)
внутренняя
Контровочные отверстия
нет
Климатические факторы
Нижняя рабочая t, °C
?
Для кабелей
-55
Верхняя рабочая t, °C
?
Для кабелей
165
Весогабаритные характеристики
Масса, г
3.82
Отзывы
Оставить отзыв
Загрузка отзывов...
Услуги
