Характеристики
Параметры заказа
Number for order
278749
Минимальный заказ
от 1 шт.
Линейка
Profi (профессиональная)
Технические характеристики
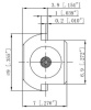
Серия (интерфейс)
SMA
Корпус
под пайку
Конструктив
прямой
Тип корпуса разъема
female (мама)
Полярность коннектора (reverse polarity)
прямая
Тип крепления разъема
пайка на печатную плату
Тип центр. контакта
female / мама / розетка
Центральный контакт
под пайку
Электрические параметры
КСВн (не более)
1.25
Волновое сопротивление (импеданс)
50 Ом
Макс. раб. частота, ГГц
?
Для коннекторов
18
Измеренная макс. раб. частота, ГГц
?
Для коннекторов
18
Механические параметры
Материал корпуса
латунь (brass)
Материал покрытия корпуса
?
Для разъема
золотое покрытие
Материал контакта (pin)
бериллиевая бронза BeCu
Материал покрытия контакта (pin)
золото (gold plating)
Материал диэлектрика (изолятора)
?
Для коннектора
PTFE
Количество циклов сопряжений
?
Кол-во соединений-разъединений для коннектора или перехода
500
Тип резьбы
дюймовая
Резьба (по расположению)
внешняя
Климатические факторы
Нижняя рабочая t, °C
?
Для кабелей
-55
Верхняя рабочая t, °C
?
Для кабелей
125
Отзывы
Оставить отзыв
Загрузка отзывов...
Услуги
