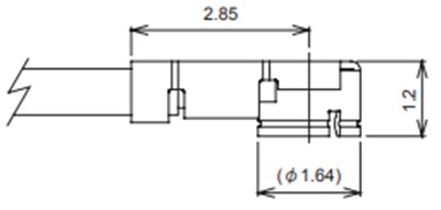
Номинальная высота в сочленённом состоянии, 1.5 мм (макс.)
Характеристики
Параметры заказа
Number for order
280008
Технические характеристики
Серия (интерфейс)
IPEX3 / MHF3
Корпус
обжимной
Конструктив
прямой
Тип корпуса разъема
female (мама)
Тип крепления разъема
под кабель
Тип центр. контакта
female / мама / розетка
Центральный контакт
беспаечный
Электрические параметры
КСВн (не более)
1.5
Волновое сопротивление (импеданс)
50 Ом
Макс. раб. частота, ГГц
?
Для коннекторов
6
Климатические факторы
Нижняя рабочая t, °C
?
Для кабелей
-40
Верхняя рабочая t, °C
?
Для кабелей
90
Отзывы
Оставить отзыв
Загрузка отзывов...
Услуги
Аналоги
